聯系方式 |
| 電話(市場部):0517-86851868 |
| 0517-86882048 |
| 0517-86881908 |
| (拓展部):0517-86882683 |
| 傳真:0517-86851869 |
節假日商務聯系電話:
何經理:13655238295
紀經理:18015196880 |
| 郵編:211600 |
| 網址:http://m.xjffbw.com/ |
| http://www.sukeyb.com/ |
| E-mail:china-suke@163.com |
| sukeyb@163.com |
地址:江蘇省金湖縣工業園區環城西
路269號 |
|
|
 |
您現在的位置 > 首頁 > 行業新聞 > 孔板流量計與差壓計的聯接測量液體 |
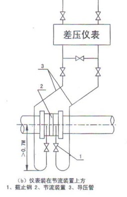
孔板流量計與差壓計的聯接測量液體 |
儀表安裝位置:
- 孔板流量計最好安裝有節流裝置的下方,這樣可以防止液體中的氣體進入導壓管和儀表內,如圖八(a)所示。如果儀表不得不安裝在節流裝置上方時,為了減少液體中的氣體進入導管和儀表內,則應在節流裝置和導壓管之間裝有U型彎管,且彎頭下端至少應低于輸送管道中心線0.7米,如圖八(b)所示。
 
- 取壓:
在水平或傾斜的工藝輸送管道上,如果將取壓口開在節流裝置上方,導壓管內積聚氣體;如果開在節流裝置下方,將使沉淀物落入導壓管內。因此導壓管應自節流裝置截面的水平中心線兩端水平引出或自水平中心線兩端向下小于45°引出。
|
|