聯系方式 |
| 電話(市場部):0517-86851868 |
| 0517-86882048 |
| 0517-86881908 |
| (拓展部):0517-86882683 |
| 傳真:0517-86851869 |
節假日商務聯系電話:
何經理:13655238295
紀經理:18015196880 |
| 郵編:211600 |
| 網址:http://m.xjffbw.com/ |
| http://www.sukeyb.com/ |
| E-mail:china-suke@163.com |
| sukeyb@163.com |
地址:江蘇省金湖縣工業園區環城西
路269號 |
|
|
LW系列圓齒輪流量計

圓齒輪流量計概述
LW系列圓齒輪流量計屬于容積式流量計一種類型。流量計是用于管道中液體流量連續或間斷測量和控制的容積式計量儀表。它具有量程范圍大、準確度佳、壓力損失小、粘度適應性強、能測量高溫高粘液體、標定方便、安裝建議等諸多優點。適用于石油、化工、化纖、交通、商貿、食品、醫藥衛生等部門的流量計量。
LW系列圓齒輪流量計裝有脈沖發訊器和數字液晶表頭裝置,可提供穩定、正確的脈沖信號輸出,也可現場直接顯示液體瞬時、累積流量,并提供多種信號遠傳功能,與電顯儀表配套可實現累積、定量和瞬時流量遠傳集中控制,還可測量高溫度、高粘度液體。良好的性能可以很好的適應各種復雜的工況環境。
不同的液體(酸、堿、鹽、有機溶液等)流量計主體可選擇不同的材質制造。
圓齒輪流量計工作原理
圓齒輪流量計的轉速是通過裝在表殼上的信號放大器里傳感線圈來檢測。信號放大器不與被測量介質相接觸。當變送器齒輪切割由殼體內永久磁石產生的磁力線時,就會引起傳感線圈中的磁通變化。傳感線圈將檢測到的磁通周期變化信號送入前置放大器,對信號進行放大、 整形,產生與流速成正比的脈沖信號,送入單位換算與流量積算電路得到并顯示累積流量值,同時亦將脈沖信號送入頻率電流轉換電路,將脈沖信號轉換成模擬電流量,進而指示瞬時流量值。
圓齒輪流量計加工精度高,精密安裝。齒輪的旋轉被非接觸掃描,每一個齒產生一個脈沖, 分辨率非常高.圓柱齒輪變送器可測量非常小的流量,定量小體積的液體。
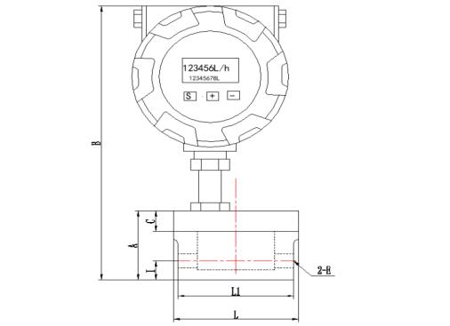
圓齒輪流量計外形尺寸圖
圓齒輪流量計型號尺寸
| 型號/尺寸 |
L |
L1 |
B |
A |
I |
C |
E |
LW-02 |
Φ83 |
77 |
210 |
53 |
13.5 |
15 |
G1/4 |
LW-04 |
Φ83 |
77 |
210 |
53 |
14 |
15 |
G3/8 |
LW-06 |
Φ83 |
77 |
216 |
59 |
15.6 |
15 |
G1/2 |
圓齒輪流量計技術參數
| 型號 |
測量范圍?l/H |
K系數P/L |
最大壓力Bar |
溫度 |
接口(可定制) |
LW-02 |
5-50 |
11200 |
63 |
-20-60℃ |
G1/4 |
LW-04 |
25-250 |
4780 |
63 |
-20-60℃ |
G3/8 |
LW-06 |
50-500 |
3468 |
63 |
-20-60℃ |
G1/2 |
| LW-10 |
120~1200 |
2780 |
50 |
-20-60℃ |
G1/2 |
| LW-15 |
300~3000 |
334 |
50 |
-20-60℃ |
G3/4 |
圓齒輪流量計型號標識
類型代碼 |
— |
專用標志 |
材質標志 |
通徑 |
壓力 |
/ |
計數器 |
信號 |
連接方式 |
說明 |
SKLW |
— |
|
|
|
|
|
|
|
|
圓齒輪流量計 |
|
U |
保溫夾套型 |
N |
高粘型 |
L |
低粘型 |
|
B |
304不銹鋼 |
C |
316L不銹鋼 |
L |
鋁合金 |
* |
其他材質 |
|
2 |
DN2 |
4 |
DN4 |
6 |
DN6 |
10 |
DN10 |
15 |
DN15 |
|
.1 |
公稱壓力(1.0Mpa) |
.2 |
公稱壓力(1.6Mpa) |
.3 |
公稱壓力(2.5MPa) |
.4 |
公稱壓力(4.0MPa) |
.6 |
公稱壓力(6.3MPa) |
.* |
公稱壓力(其他MPa) |
|
BELZ |
液晶數字顯示:瞬時、累計流量輸出脈沖信號,三線制(外供12V或者24V電源,可定制5V電源) |
BELZ- |
GF |
液晶數字顯示:瞬時、累計流量輸出4-20mA信號,二/三線制(標配二線制,外供12V或者24V電源) |
BELZ- |
MF |
液晶數字顯示:瞬時、累計流量輸出RS485信號,二/三線制(標配二線制,外供12V或者24V電源) |
BELZ- |
RS |
可同時輸出三種信號,也可按需選擇。 |
BELZ- |
GF/MF/RS |
液晶數字顯示:瞬時、累計流量輸出脈沖信號,三線制(外供12V或者24V電源,定制5V電源) |
BELZ |
GF |
液晶數字顯示:瞬時、累計流量輸出4-20mA信號,二/三線制(標配二線制,外供12V或者24V電源) |
|
-F |
法蘭 |
-L |
螺紋 |
-K |
卡盤 |
(“/”“-”為分割符號,“*”為定制參數,可用其他數字或字母替代)
圓齒輪流量計安裝要求
1、變送器現場安裝位置應盡可能避開溫度大、機械振動大、磁場干擾強、腐蝕性強的環境,應選擇易于維護維修的位置安裝。
2、變送器一般應水平安裝,必須用螺絲將傳感器牢固安裝在裝配體上。如果必須垂直安裝則液體方向必須向上。液體應充滿管道,不得有氣泡。
3、變送器的種類附件在安裝時,基中心線應對準管道中心線,連接處的密封墊不可突入液體內。
4、需要安裝流量調節閥時,必須在傳感器的下游側安裝。
5、在新的管道上安裝傳感器時,為避免管路中的雜質進入變送器,建議在變送器上游安裝過濾器。
6、為了檢修時不影響液體的正常傳輸,應在變送器的安裝處安裝旁通管路。
7、齒輪流量變送器附近的磁場和類似的干擾源可能會影響傳感器拾取信號,變送器與顯示儀表之間的連接應采用帶金屬的屏蔽電纜,傳輸電纜的屏蔽層在顯示儀表端一點接地。
圓齒輪流量計使用與維護
- 使用時應保持被測液體清潔,不含纖維狀、顆粒狀的雜質。
- 流量計投入運行時閥門的開戶關閉順序
- 未安裝旁路管的流量,先以中等開度開啟變送器上游閥,然后緩慢開啟下游閥以較小流量運行10分鐘,然后全開上游閥開度至所需正常流量
- 裝旁路管的變送器,先全開旁路管閥,以中等開度開啟上游閥,再緩慢開啟下游閥,關小旁路閥的開度,使變送器以較小流量運行10分鐘,然后全開上游閥全閉旁路閥(保證無泄漏),最后調節下游閥開度至所需正常流量。
- 開啟關閉閥門時應可能平緩,如采用自動控制啟閉,特別對中大口徑傳感器最好采用“兩段開啟、兩段關閉”方式,防止液體突然沖擊產生水錘效應導致損壞齒輪。
- 為保證變送器長期正常工作,平時要加強運行檢查,一旦發現異常應及時采取措施排除。特別注意監視齒輪轉動情況,如聽到異常聲音應及時變送器檢查。
- 變送器的維護周期一般為三個月,檢查清洗時,注意不要損傷內部零部件并按原裝配位置裝配
- 變送器不用時應清潔內部液體且在變送器兩端加上防護套以防止塵垢進入,然后置于干燥處進行存放。
- 配用的過濾器應定期清洗,不用時就在加上防護套以防止塵垢進入,然后置于干燥處進行存放。
- 傳感器的傳輸電纜可架空或埋地鋪設(埋地時應套上塑料管或鐵管)
|